變頻器對于電機的損傷淺析。
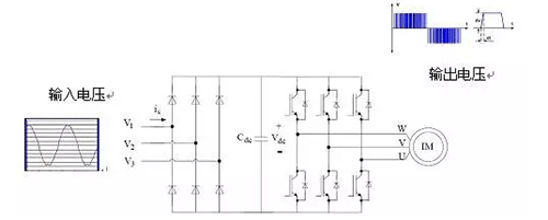
內容簡介:要了解工頻電機在變頻器驅動條件下更容易損壞的機理,首先了解變頻器驅動電機的電壓與工頻電壓有什么區別。然后再了解這種差別是如何對電機產生不良影響的。變頻器的基本構造如圖2所示,包括整流電路與逆變電路兩部分。
變頻器對電機的損傷包括兩個方面,定子繞組的損傷和軸承的損傷,如圖1所示。這種損傷一般發生在幾周至十幾個月內,具體時間與變頻器的品牌、電機的品牌、電機的功率、變頻器的載波頻率、變頻器與電機之間的電纜長度、環境溫度等諸多因素有關。電機的早期意外損壞給企業的生產帶來巨大的經濟損失。這種損失不僅是電機維修和更換帶來的費用,更主要的是意外停產帶來的經濟損失。因此,在使用變頻器驅動電機時,必須對電機損傷的問題有足夠的重視。
變頻器驅動與工頻驅動的區別:
要了解工頻電機在變頻器驅動條件下更容易損壞的機理,首先了解變頻器驅動電機的電壓與工頻電壓有什么區別。然后再了解這種差別是如何對電機產生不良影響的。
變頻器的基本構造如圖2所示,包括整流電路與逆變電路兩部分。整流電路為普通二極管與濾波電容構成的直流電壓輸出電路,逆變電路將直流電壓變換成脈寬調制的電壓波形(PWM電壓)。因此,變頻器驅動電機的電壓波形是脈寬變化的脈沖波形,而不是正弦波電壓波形。用脈沖電壓驅動電機就是導致電機容易損壞的根本原因。
變頻器損傷電機定子繞組的機理:
脈沖電壓在電纜上傳輸時,如果電纜的阻抗與負載的阻抗不匹配,在負載端會產生反射。反射的結果是,入射波與反射波疊加,形成更高的電壓,它的幅度最大可以達到直流母線電壓的2倍,大約相當于變頻器輸入電壓的3倍,如圖3所示。過高的尖峰電壓加在電機定子的線圈上,對線圈造成電壓沖擊,頻繁的過電壓沖擊會導致電機過早失效。
變頻器驅動的電機受到尖峰電壓的沖擊后,它的實際壽命與很多因素,包括,溫度、污染、振動、電壓、載波頻率以及線圈絕緣的工藝等因素有關。
變頻器的載波頻率越高,輸出電流波形越接近正弦波,這會降低電機的運行溫度,從而延長絕緣的壽命。但是,更高的載波頻率意味著每秒鐘產生的尖峰電壓數量更多,對電機的沖擊的次數更多。圖4給出了絕緣壽命隨著電纜長度與載波頻率的變化。從圖中可知,對于200英尺長的電纜,當載波頻率從3kHz提高到12kHz(變化4倍)時,絕緣的壽命從大約8萬小時降低到2萬小時(相差4倍)。
載波頻率對絕緣的影響
電機的溫度越高,絕緣的壽命越短,如圖5所示,當溫度升高到75度時,電機的壽命只有50%。變頻器驅動的電機,由于PWM電壓包含較多的高頻成份,電機溫度會遠高于工頻電壓驅動的情況。
變頻器損傷電機軸承的機理:
變頻器損傷電機軸承的原因是,有流過軸承的電流,并且這種電流處于斷續連通的狀態,斷續連通的電路會產生電弧,電弧燒毀了軸承。
導致交流電機的軸承中流過電流的原因主要有兩個,第一,內部電磁場不平衡產生的感應電壓,第二,雜散電容引起的高頻電流通路。
理想交流感應電機內部的磁場是對稱的,當三相繞組的電流相等,并且相位相差120?時,不會在電機的軸桿上感應出電壓。變頻器輸出的PWM電壓導致電機內部的磁場不對稱時,就會在軸桿上感應出電壓,電壓的幅度在10~30V,這與驅動電壓有關,驅動電壓越高,軸桿上的電壓越高。當這個電壓的數值超過軸承中的潤滑油的絕緣強度時,就會形成一個電流通路。軸桿旋轉過程中,在某個時刻,潤滑油的絕緣又阻斷了電流。這個過程類似于機械式開關的通斷過程,這個過程中會產生電弧,燒蝕軸桿、滾珠、軸碗的表面,形成凹坑。如果沒有外部振動,小凹坑不會產生過大的影響,但是如果有外部振動時,會產生凹槽,這對電機的運轉影響很大。
另外,實驗表明,軸桿上的電壓還與變頻器輸出電壓的基波頻率有關,基波頻率越低,軸桿上的電壓越高,軸承損傷越嚴重。
在馬達工作的初期,潤滑油溫度較低的時候,電流幅度在5-200mA,這么小的電流不會對軸承產生任何損壞。但是,當馬達運行一段時間后,隨著潤滑油溫度升高,峰值電流會達到5-10A,這會產生飛弧,在軸承部件的表面形成小坑。
電機電子繞組的保護:
當電纜的長度超過30米時,現代變頻器必然會在電機端產生尖峰電壓,縮短電機的壽命。防止電機出現損傷,有兩個思路,一個是采用繞組絕緣抗電強度更高的電機(一般稱為變頻電機),另一個是采取措施減小尖峰電壓。前一種措施適合于新建的項目,后一種措施適合于對已有的電機進行改造。
目前常用的電機保護方法有以下四種:
1)在變頻器的輸出端安裝電抗器:這個措施最常用,但是需要注意的是,這個方法對于較短的電纜(30米以下)有一定效果,但是有時效果不夠理想,如圖6(c)所示。
2)在變頻器的輸出端安裝dv/dt濾波器:這個措施適用于電纜長度小于300米的場合,價格略高于電抗器,但是效果有了明顯的改善。
3)在變頻器的輸出端安裝正弦波濾波器:這個措施是最理想的。因為在這里,將PWM脈沖電壓變成了正弦波電壓,是電機工作在與工頻電壓相同的條件下,尖峰電壓的問題得到了徹底的解決(電纜再長,也不會出現尖峰電壓了)。
4)在電纜與電機接口的位置安裝尖峰電壓吸收器:前面幾個措施的缺點是當電機的功率較大時,電抗器或濾波器的體積、重量很大,價格較高,另外,電抗器和濾波器都會導致一定的電壓降,影響電機的輸出力矩,采用變頻器尖峰電壓吸收器能夠克服這些缺點。
電動機受損還有負載方面的原因
(1)電動機長時間過負載運行。
(2)電動機啟動于頻繁,啟動時間過長或者啟動間隔時間太短。
(3)被拖動機械故障,使電動機出力增大,或被卡住不轉或轉速急劇下降,使電動機電流猛增而過熱。
(4)電動機的工作制式和負載工作制不匹配,例如短時周期工作制的電動機用于帶動連續長期工作的負載。
其它還有的都不是很常見的原因,如:電壓過低或過高,震動造成接線柱松脫相間短路,蟲鼠危害、進口電機電壓與國內電壓不配合(如日本電機)。各種減壓起動回路故障造成不轉換,電機長時間低壓工作等。
電動機燒損的檢修方法:電動機更換繞組線圈,浸絕緣漆后進行干燥烘干處理;更換軸承;整修轉子鐵芯。
變頻器損傷電機軸承的機理
有流過軸承的電流,并且這種電流處于斷續連通的狀態,斷續連通的電路會產生電弧,電弧燒毀了軸承。
導致交流電機的軸承中流過電流的原因主要有兩個,第一,內部電磁場不平衡產生的感應電壓,第二,雜散電容引起的高頻電流通路。
理想交流感應電機內部的磁場是對稱的,當三相繞組的電流相等,并且相位相差120時,不會在電機的軸桿上感應出電壓。變頻器輸出的PWM電壓導致電機內部的磁場不對稱時,就會在軸桿上感應出電壓,電壓的幅度在10~30V,這與驅動電壓有關,驅動電壓越高,軸桿上的電壓越高。當這個電壓的數值超過軸承中的潤滑油的絕緣強度時,就會形成一個電流通路。軸桿旋轉過程中,在某個時刻,潤滑油的絕緣又阻斷了電流。這個過程類似于機械式開關的通斷過程,這個過程中會產生電弧,燒蝕軸桿、滾珠、軸碗的表面,形成凹坑。如果沒有外部振動,小凹坑不會產生過大的影響,但是如果有外部振動時,會產生凹槽,這對電機的運轉影響很大。
另外,實驗表明,軸桿上的電壓還與變頻器輸出電壓的基波頻率有關,基波頻率越低,軸桿上的電壓越高,軸承損傷越嚴重。
在馬達工作的初期,潤滑油溫度較低的時候,電流幅度在5-200mA,這么小的電流不會對軸承產生任何損壞。但是,當馬達運行一段時間后,隨著潤滑油溫度升高,峰值電流會達到5-10A,這會產生飛弧,在軸承部件的表面形成小坑。
轉載請說明來自西安泰富西瑪電機(西安西瑪電機集團股份有限公司)官方網站:http://m.gdteai.cn/zixun/weixiubaoyang214.html
變頻器驅動與工頻驅動的區別:
要了解工頻電機在變頻器驅動條件下更容易損壞的機理,首先了解變頻器驅動電機的電壓與工頻電壓有什么區別。然后再了解這種差別是如何對電機產生不良影響的。
變頻器的基本構造如圖2所示,包括整流電路與逆變電路兩部分。整流電路為普通二極管與濾波電容構成的直流電壓輸出電路,逆變電路將直流電壓變換成脈寬調制的電壓波形(PWM電壓)。因此,變頻器驅動電機的電壓波形是脈寬變化的脈沖波形,而不是正弦波電壓波形。用脈沖電壓驅動電機就是導致電機容易損壞的根本原因。
變頻器損傷電機定子繞組的機理:
脈沖電壓在電纜上傳輸時,如果電纜的阻抗與負載的阻抗不匹配,在負載端會產生反射。反射的結果是,入射波與反射波疊加,形成更高的電壓,它的幅度最大可以達到直流母線電壓的2倍,大約相當于變頻器輸入電壓的3倍,如圖3所示。過高的尖峰電壓加在電機定子的線圈上,對線圈造成電壓沖擊,頻繁的過電壓沖擊會導致電機過早失效。
變頻器驅動的電機受到尖峰電壓的沖擊后,它的實際壽命與很多因素,包括,溫度、污染、振動、電壓、載波頻率以及線圈絕緣的工藝等因素有關。
變頻器的載波頻率越高,輸出電流波形越接近正弦波,這會降低電機的運行溫度,從而延長絕緣的壽命。但是,更高的載波頻率意味著每秒鐘產生的尖峰電壓數量更多,對電機的沖擊的次數更多。圖4給出了絕緣壽命隨著電纜長度與載波頻率的變化。從圖中可知,對于200英尺長的電纜,當載波頻率從3kHz提高到12kHz(變化4倍)時,絕緣的壽命從大約8萬小時降低到2萬小時(相差4倍)。
載波頻率對絕緣的影響
電機的溫度越高,絕緣的壽命越短,如圖5所示,當溫度升高到75度時,電機的壽命只有50%。變頻器驅動的電機,由于PWM電壓包含較多的高頻成份,電機溫度會遠高于工頻電壓驅動的情況。
變頻器損傷電機軸承的機理:
變頻器損傷電機軸承的原因是,有流過軸承的電流,并且這種電流處于斷續連通的狀態,斷續連通的電路會產生電弧,電弧燒毀了軸承。
導致交流電機的軸承中流過電流的原因主要有兩個,第一,內部電磁場不平衡產生的感應電壓,第二,雜散電容引起的高頻電流通路。
理想交流感應電機內部的磁場是對稱的,當三相繞組的電流相等,并且相位相差120?時,不會在電機的軸桿上感應出電壓。變頻器輸出的PWM電壓導致電機內部的磁場不對稱時,就會在軸桿上感應出電壓,電壓的幅度在10~30V,這與驅動電壓有關,驅動電壓越高,軸桿上的電壓越高。當這個電壓的數值超過軸承中的潤滑油的絕緣強度時,就會形成一個電流通路。軸桿旋轉過程中,在某個時刻,潤滑油的絕緣又阻斷了電流。這個過程類似于機械式開關的通斷過程,這個過程中會產生電弧,燒蝕軸桿、滾珠、軸碗的表面,形成凹坑。如果沒有外部振動,小凹坑不會產生過大的影響,但是如果有外部振動時,會產生凹槽,這對電機的運轉影響很大。
另外,實驗表明,軸桿上的電壓還與變頻器輸出電壓的基波頻率有關,基波頻率越低,軸桿上的電壓越高,軸承損傷越嚴重。
在馬達工作的初期,潤滑油溫度較低的時候,電流幅度在5-200mA,這么小的電流不會對軸承產生任何損壞。但是,當馬達運行一段時間后,隨著潤滑油溫度升高,峰值電流會達到5-10A,這會產生飛弧,在軸承部件的表面形成小坑。
電機電子繞組的保護:
當電纜的長度超過30米時,現代變頻器必然會在電機端產生尖峰電壓,縮短電機的壽命。防止電機出現損傷,有兩個思路,一個是采用繞組絕緣抗電強度更高的電機(一般稱為變頻電機),另一個是采取措施減小尖峰電壓。前一種措施適合于新建的項目,后一種措施適合于對已有的電機進行改造。
目前常用的電機保護方法有以下四種:
1)在變頻器的輸出端安裝電抗器:這個措施最常用,但是需要注意的是,這個方法對于較短的電纜(30米以下)有一定效果,但是有時效果不夠理想,如圖6(c)所示。
2)在變頻器的輸出端安裝dv/dt濾波器:這個措施適用于電纜長度小于300米的場合,價格略高于電抗器,但是效果有了明顯的改善。
3)在變頻器的輸出端安裝正弦波濾波器:這個措施是最理想的。因為在這里,將PWM脈沖電壓變成了正弦波電壓,是電機工作在與工頻電壓相同的條件下,尖峰電壓的問題得到了徹底的解決(電纜再長,也不會出現尖峰電壓了)。
4)在電纜與電機接口的位置安裝尖峰電壓吸收器:前面幾個措施的缺點是當電機的功率較大時,電抗器或濾波器的體積、重量很大,價格較高,另外,電抗器和濾波器都會導致一定的電壓降,影響電機的輸出力矩,采用變頻器尖峰電壓吸收器能夠克服這些缺點。
電動機受損還有負載方面的原因
(1)電動機長時間過負載運行。
(2)電動機啟動于頻繁,啟動時間過長或者啟動間隔時間太短。
(3)被拖動機械故障,使電動機出力增大,或被卡住不轉或轉速急劇下降,使電動機電流猛增而過熱。
(4)電動機的工作制式和負載工作制不匹配,例如短時周期工作制的電動機用于帶動連續長期工作的負載。
其它還有的都不是很常見的原因,如:電壓過低或過高,震動造成接線柱松脫相間短路,蟲鼠危害、進口電機電壓與國內電壓不配合(如日本電機)。各種減壓起動回路故障造成不轉換,電機長時間低壓工作等。
電動機燒損的檢修方法:電動機更換繞組線圈,浸絕緣漆后進行干燥烘干處理;更換軸承;整修轉子鐵芯。
變頻器損傷電機軸承的機理
有流過軸承的電流,并且這種電流處于斷續連通的狀態,斷續連通的電路會產生電弧,電弧燒毀了軸承。
導致交流電機的軸承中流過電流的原因主要有兩個,第一,內部電磁場不平衡產生的感應電壓,第二,雜散電容引起的高頻電流通路。
理想交流感應電機內部的磁場是對稱的,當三相繞組的電流相等,并且相位相差120時,不會在電機的軸桿上感應出電壓。變頻器輸出的PWM電壓導致電機內部的磁場不對稱時,就會在軸桿上感應出電壓,電壓的幅度在10~30V,這與驅動電壓有關,驅動電壓越高,軸桿上的電壓越高。當這個電壓的數值超過軸承中的潤滑油的絕緣強度時,就會形成一個電流通路。軸桿旋轉過程中,在某個時刻,潤滑油的絕緣又阻斷了電流。這個過程類似于機械式開關的通斷過程,這個過程中會產生電弧,燒蝕軸桿、滾珠、軸碗的表面,形成凹坑。如果沒有外部振動,小凹坑不會產生過大的影響,但是如果有外部振動時,會產生凹槽,這對電機的運轉影響很大。
另外,實驗表明,軸桿上的電壓還與變頻器輸出電壓的基波頻率有關,基波頻率越低,軸桿上的電壓越高,軸承損傷越嚴重。
在馬達工作的初期,潤滑油溫度較低的時候,電流幅度在5-200mA,這么小的電流不會對軸承產生任何損壞。但是,當馬達運行一段時間后,隨著潤滑油溫度升高,峰值電流會達到5-10A,這會產生飛弧,在軸承部件的表面形成小坑。
轉載請說明來自西安泰富西瑪電機(西安西瑪電機集團股份有限公司)官方網站:http://m.gdteai.cn/zixun/weixiubaoyang214.html
以上內容由西安泰富西瑪電機(西安西瑪電機集團股份有限公司)網絡編輯部收集整理發布,僅為傳播更多電機行業相關資訊及電機相關知識,僅供網友、用戶、及廣大經銷商參考之用,不代表西安泰富西瑪電機同意或默認以上內容的正確性和有效性。讀者根據本文內容所進行的任何商業行為,西安泰富西瑪電機不承擔任何連帶責任。如果以上內容不實或侵犯了您的知識產權,請及時與我們聯系,西安泰富西瑪電機網絡部將及時予以修正或刪除相關信息。
- 上一篇: 電機常用的傳感器總結。
- 下一篇: 高壓電機軸磨損維修的詳細流程
他們還瀏覽了...
- 2022-6-19高壓電機軸磨損維修的詳細流程
- 2022-6-4三相異步電動機安裝步驟以及西瑪電機的故障檢查方法
- 2022-5-29西瑪電機接線中最常見的幾種錯誤
- 2022-5-8西安西瑪電機頻率和速度之間的數學關系
- 2022-5-8三相異步電動機的正確接線方法及故障分析
- 2018-5-23電機常用的傳感器總結。
- 2018-5-22高壓電機降低了表面的放電電壓。
- 2018-5-18直流電機火花很大的主要原因。
- 2018-5-18電機接觸電流要求和檢測。
- 2018-5-15大型電機軸承座的清潔與清洗。
行業資訊
電機風罩的工作原理及其用途。
高壓電機軸磨損維修的詳細流程
三相異步電動機安裝步驟以及西瑪電機的故障檢查
西瑪電機接線中最常見的幾種錯誤
綠色發展可以幫助電機廠家解決利潤問題
高效節能電機過熱原因分析
需要更換高效節能的電機的必要性分析!
西安西瑪電機頻率和速度之間的數學關系
高壓電機軸磨損維修的詳細流程
三相異步電動機安裝步驟以及西瑪電機的故障檢查
西瑪電機接線中最常見的幾種錯誤
綠色發展可以幫助電機廠家解決利潤問題
高效節能電機過熱原因分析
需要更換高效節能的電機的必要性分析!
西安西瑪電機頻率和速度之間的數學關系
西安西瑪電機舉辦“迎國慶”員工趣味運動項目比
關于西安西瑪電機的工作制,大家了解一下。
西安西瑪電機工會慶祝3月8日的評選頒獎活動。
西安西瑪電機向在抗擊疫情前線的工作人員們致敬
西安西瑪電機職工安全生產知識宣傳教育工作全面
西安泰富西瑪電機亮相第27屆中國西部國際裝備
西安泰富西瑪電機將高效節能三相異步電動機作為
西安西瑪電機始終堅持誠信銷售的理念。
關于西安西瑪電機的工作制,大家了解一下。
西安西瑪電機工會慶祝3月8日的評選頒獎活動。
西安西瑪電機向在抗擊疫情前線的工作人員們致敬
西安西瑪電機職工安全生產知識宣傳教育工作全面
西安泰富西瑪電機亮相第27屆中國西部國際裝備
西安泰富西瑪電機將高效節能三相異步電動機作為
西安西瑪電機始終堅持誠信銷售的理念。
泰富西瑪電機
配套電柜
電機配件
YKK系列高壓三相異步電機西安泰富西瑪YKK系列(H355-1000)高壓三相異步電機可作驅動
Y2系列緊湊型高壓異步電機西安泰富西瑪?Y2系列(H355-560)6KV緊湊型高壓異步電機可
YE3系列高效節能電機西安泰富西瑪電機生產的YE3系列高效節能電機達到了國標二級能效標準,
Z4系列直流電機西安泰富西瑪Z4系列直流電動機比Z2、Z3系列具有更大的優越性,它不
Z2系列小型直流電機西安泰富西瑪Z2系列電機為一般工業用小型直流電機,其電動機適用于恒功
ZTP型鐵路機車動車用直流輔助西安泰富西瑪ZTP系列西瑪電機應能滿足鐵路機車動車用直流輔助電機通用



西安西瑪電機緊跟電機行業的發展趨勢,了解電機市場動態,制定出西瑪電機的發展規劃,穩步前行。
隨著國家節能減排的積極推行,新能源汽車產業快速增長及高效節能電機補貼政策的逐步落實,高效節能電機業將迎來爆發式的增長。
西瑪電機售后維修業務有:軸料加工件、鋼板切割、焊接件、高壓機殼、冷卻器、上下罩、高、低壓交直流電機;國內、外電機的修理、維護和試驗。
質量為本,用戶至上”是我公司一貫宗旨。“誠心、貼心、傾心、西瑪永遠用心”的“三心”服務理念。
西安泰富西瑪電機(西安西瑪電機集團股份有限公司)是國內九大的電機供應商之一,產品包括各種高低壓、交直流、高壓同步電機等。


















